Каталог :: Шпионские штучки :: Направленные мик...
Выбираем микрофон к DSLR камере | Новости гаджетов
Направленный Микрофон Усилитель Звука на Рассто...
Распаковка микрофона MOVO VXR10. Бюджетный напр...
BOYA BY-BM2021 супер-кардиоидный направленный м...
Направленный микрофон-пушка Syntech с шумоподав...
Направленный накамерный микрофон JJC SGM-V1 для...
3,5 мм стерео камера микрофон Микрофон VLOG фот...
Направленные микрофоны - презентация онлайн
Направленный микрофон
Лучший микрофон для вашей экшен камеры - YouTube
Мини-микрофон с зажимом для воротника, портатив...
Tootekataloog Ronex OÜ E-pood - Mõõteriistad ja...
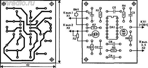
Направленный микрофон своими руками
Внешний микрофон для зеркального фотоаппарата —...
Направленные Микрофоны Купить шпионские гаджеты
Профессиональная Студия Цифровой Видео Записи С...
Направленный микрофон для прослушки на расстоян...
Направленный микрофон для Фото или экшн камеры
Направленный микрофон органного типа » Shemoteh...
Сравнение микрофонов для камеры - YouTube
Микрофон динамик в 1 устройство для камеры безо...
Лазерный микрофон направленного действия — купи...
Микрофоны направленного действия для прослушки ...
МИКРОФОНЫ НАПРАВЛЕННОГО ДЕЙСТВИЯ
Rode VideoMicro Микрофон Суперкомпактный направ...
Направленный микрофон! Своими руками Прослушка!...