Выбираем светильник аварийного освещения
Светильник аварийного освещения с аккумулятором...
Аккумуляторные светильники аварийного освещения...
Гелевый аккумулятор 12В 100А/ч Orbus ORB 12-100...
Блок аварийного питания для светодиодных светил...
Аккумулятор Casil CA645 (6В, 4.5Ач) для детског...
Литий-ионный аккумулятор 3200 мАч, 3,7 В, 18650...
AGM аккумулятор 12в, Вольт, 45 AH, ач ампер час...
Аккумулятор 12в 120а для электромобилей аварийн...
Аварийное освещение светильники с аккумуляторам...
Светодиодные светильники для аварийного освещения
Подключение аварийного светильника с аккумулято...
Гелевый Аккумулятор для Солнечных Систем, Авари...
Схемы аварийного освещения: применение светодио...
Схемы аварийного освещения
Купить Гелевый аккумулятор 12В 100А/ч Ventura V...
Аккумуляторные батареи аварийного освещения Tek...
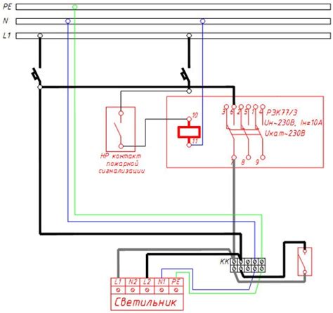
Принципиальные схемы аварийных светильников
Аккумулятор ProFix VRLA-AGM, 12V 7.2Ah (NP7.2-1...
Купить Аккумулятор гелевой Orbus ORB 12-100: 12...
Светильник светодиодный аккумуляторный с блоком...
Блок аварийного питания (БАП, конверсионный мод...
Морской аккумулятор для аварийного освещения - ...
Схема аварийного освещения с аккумулятором - Вс...
Аккумулятор мультигелевый LogicPower LPM-MG 12V...
Аккумуляторный аварийный светодиодный светильни...
Герметичный аккумулятор AGM FAAM FLL 6V-225A, с...
Купить Аккумулятор для фонарика Оригинальный св...
Купить Светильник аварийного освещения с аккуму...
Аварийный светильник со сменным аккумулятором и...
Купить Лампа аккумуляторная Led 51 светодиод . ...