Усилители звука hi-fi и High End для домашних к...
Дизайн авторских усилителей звука - Страница 3 ...
Усилитель звука для колонок 4-канальный - купит...
Усилитель звука
Китайские ламповые усилители - Страница 58 - Ус...
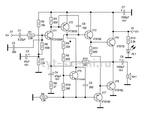
Звуковой усилитель без ООС с однополярным питан...
Ламповый усилитель Premium набор для сборки сво...
Усилитель Звука Для Компьютера - rybmuseum
ABORA A400S – стереофонический усилитель мощнос...
Купить hi fi Усилитель мощности Бытовой усилите...
Лучшие усилители звука: ТОП 10 хороших усилител...
Усилители звука и автоусилители - статьи и виде...
Усилитель мощности звука купить в Москве: цифро...
Усилитель звука Max SN-888BT купить интегральны...
Усилители звука, Профессиональные , Конец, Музы...
УСИЛИТЕЛИ ЗВУКА С АЛИЭКСПРЕСС - YouTube
Усилитель звука 2.1: 850 грн. - Усилители / рес...
Усилители звука для колонок
Усилитель звука караоке для двух микрофонов USB...
Купить усилители звука в Санкт-Петербурге на ры...
КАК ВЫБРАТЬ УСИЛИТЕЛЬ ЗВУКА ИЗ КИТАЯ - YouTube
Усилители мощности MC² класса AB для Hi-END и H...
7 УСИЛИТЕЛЕЙ ЗВУКА ПОГРОМЧЕ ИЗ КИТАЯ - YouTube
"Усилители звука — купить по низкой цене на Янд...
Ламповые усилители реальность и иллюзии | Valve...
Лучшие усилители звука на Алиэкспресс - YouTube
Схема усилителя звука на тразисторах с печатной...