Регулятор 4-в-1 для квадрокоптера VYRIY 3-6s 4x...
Квадрокоптеры - взгляд из будущего.: Регулятор ...
Бесколлекторный регулятор XRotor 20A для квадро...
Бесщеточный датчик оборотов для высокоовольтног...
Регулятор оборотов двигателя квадрокоптера
Бесщеточный регулятор оборотов XXD XW30A 30A 2-...
Регуляторы двигателей квадрокоптера ECS в Москв...
Регулятор скорости T-MOTOR Velox V50A 4в1 3-6S ...
Регулятор швидкості для дрону — Купити регулято...
Регуляторы двигателей квадрокоптера Holybro в М...
Как выбрать регулятор скорости для гоночного кв...
Мотор бесколлекторный Дрон регулятор оборотов, ...
Квадрокоптер в деталях. Регуляторы оборотов | Z...
Регулятор оборотов, регулятор скорости двигател...
Изучение движения квадрокоптера в вертикальной ...
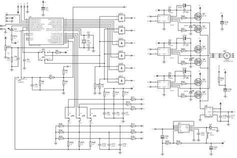
Схемы регуляторов оборотов двигателей квадрокоп...
Электрическая схема для регулятора оборотов дви...
Регулятор скорости ESC для радиоуправляемого кв...
Регулятор оборотов двигателя квадрокоптера схема
Регулятор оборотов бесколлекторного мотора для ...
Ремонт регулятора оборотов (ESC) квадрокоптера....
Регулятор 4-в-1 для квадрокоптера 3-6s 4x55A Bl...
Регулятор оборотов (esc) для квадрокоптера | Fe...
Настройка регуляторов для квадрокоптера