Цифровые лаборатории, Датчик звука Relab
Реобас плавной регулировки вентиляторов для 5''...
Китайские производители роботов для измерения т...
Реобас с дисплеем и термометром Scythe Kaze Ser...
Реобас с управлением подсветкой
Реобас для вентиляторов с картридером купить в ...
ISTA Sensonic II - купить теплосчетчик на отопл...
Термос с датчиком температуры. Проводим экспери...
Термос с датчиком температуры — Teletype
Стаен модул - термостат, безжичен, TermoB RF1 -...
Реобас вентилятора пк - купить недорого | AliEx...
Реобас для вентиляторов 8-ми канальный купить в...
Завод RGP - каталог датчиков температуры для ин...
Реобас 3.5" для Регулировки Оборотов Кулеров Ко...
Реобас с плавной регулировкой оборотов
Реле температури з виносним датчиком 220В XH-W3...
Тахометр с датчиком температуры для лодочного м...
Термостаты, температурные датчики и термопары -...
Как изменить скорость вращения кулера процессора
Реобас (регулятор оборотов вентиляторов в компь...
Термореактор DRB 200 – Купить с бесплатной дост...
5,25 дюймов компьютерный Реобас ПК Настольная П...
Термос с датчиком температуры (LED) 230 лей
ТИБЕРИС РАДИАТОР - Радиатори със стъклена предн...
Датчик температуры, давления, освещенности, GPS...
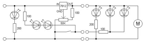
Реобас - Дайте схему! - Форум по радиоэлектронике
Реобас своими руками + датчик температуры - You...
Реобас для мощных вентиляторов 8-канальный с вы...
Цифровой термометр - RadioRadar
Реобас из Китая для ПК - YouTube