Halbleiter: 2SD371 (2SD 371) - NPN LEISTUNGS- T...
Плавающий танк Т-37А и Т-37РТ. Детальные фото-1
Металлические изделия — Категории
2РТТ - Музей электронных раритетов
2Т670АС - Музей электронных раритетов
371а. ВАЗА С ЛАЛЕТА
2ТЭ10МК-3371 — Фото — TrainFoto
2t37 - YouTube
Кузовная мануфактура Бушуев А. - Реставрация и ...
ЭР2-371 — Фото — RailGallery
ТУ7А-3367 — Фото — RailGallery
Модель №2371
Компания Электроника и связь - электронные комп...
12мм - Двухсекционный тепловоз 2ТЭ137
2ТК171А микросхема содержание драгоценных метал...
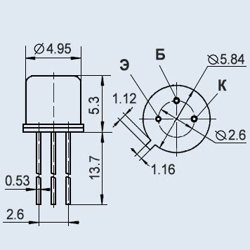
Корпус TO237. Справочник транзисторов ПАРАТРАН.
ТЭ2-375 — Фото — RailGallery
3T2371 - Starter OE number by CATERPILLAR | Spa...
Най-култовите затворнически татуировки и тяхнот...
характеристики т37а - YouTube
ТУ7А-3367; ТГМ4Б-0023 — Фото — RailGallery
Старинные Улочки
Т-37А — первый серийный плавающий танк в мире
Photo of 2T1A (N727KR) - FlightAware
Tektronix 371A
Алчевск, ЮМЗ Т2 № 371 — Фото — Городской электр...
Т-37А – первый плавающий танк СССР