Автоматический выключатель - презентация онлайн
Как выбрать автоматический выключатель
Автоматические выключатели
» Автоматические выключатели
Модульные автоматические выключатели
Автоматический выключатель: виды и типы, время-...
Автоматические выключатели для безопасной экспл...
Автоматические выключатели, каталог, купить в М...
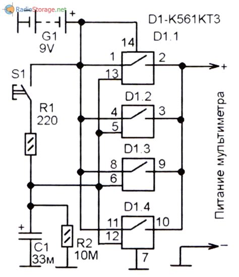
Автоматический выключатель питания для мультиметра
Как выбрать автоматический силовой выключатель ...
Автоматический выключатель - Советы электрика
Что такое автоматический выключатель?
Пин на доске Автоматические выключатели / Circu...
Автоматический выключатель питания приборов / а...
КАТАЛОГ ПРОДУКЦИИ:
Начинка радиоуправляемой модели самолёта
Правильно выбираем автоматический выключатель C...
Автоматический выключатель - online presentation
Автоматический выключатель на страже вашего иму...
Автоматический выключатель питания, защита от у...
Выбор автоматических выключателей - YouTube
Автоматический выключатель - Практическая элект...
Автоматические выключатели — конструкция и прин...
Виды автоматических выключателей и их отличия |...
Автоматический выключатель: что это и где купит...
Советы как выбрать автоматический выключатель
Автоматический выключатель: устройство, принцип...
Автоматические выключатели: Монтаж электрическо...