Бампер передній Ford Mondeo MK4 разборка Форд М...
Авторазборка Ford Mondeo 4 L4367 купить детали ...
Тюнинг фар форд мондео 4 - 80 фото
Оригинална решетка за броня за Форд Мондео МК4 ...
Задний фонарь Форд Мондео 4: 450 грн. - Задні ф...
Фари фара Ford Mondeo MK4 оригінал Форд Мондео ...
Головные фары Форд Мондео МК4, 2007-2010год: 7 ...
Зеркало дзеркало Форд Мондео мк4 Ford Mondeo mk...
Форд Мондео 4 протівотуманки нові.: 1 400 грн. ...
Типы ламп на форд мондео 4
Как снять обшивку багажника форд мондео 4 седан...
Капаче за Форд Мондео МК4/ Ford Mondeo MK4 в Ча...
Установка передней фары Форд Мондео 3. Ford Mon...
плохо светят фары форд мондео 4 ксенон
Фонарь стоп Ford Mondeo 4 фонари Форд Мондео 4 ...
Как установить багажник на крышу форд мондео 4 ...
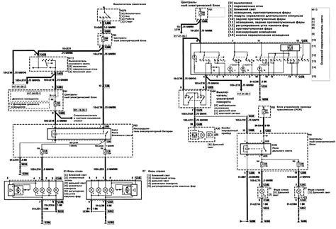
Распиновка разъема крышки багажника форд мондео...
Нова фара Ford Mondeo mk4 лінза ксенон: 100 $ -...
Крышка багажника Форд Мондео 4 | Festima.Ru – ч...
Как разобрать фару на форд мондео 4 - 96 фото
Форд 4 рестайлинг (2 фото) - красивые картинки ...
Фары Форд Мондео мк4 | Фары Ford Mondeo Mk4: 2 ...
Линза на Фару Форд Мондео 4 Ford Mondeo 4 – куп...
Фари, ліхтарі передні Форд мондео 4 Ford mondeo...
Брызговики для Ford Mondeo MK4 2007-2012 автомо...