AMP GROUP: отзывы, цены, фото
Метка адресная Рубеж АМП-4
AMP - продюсерский центр полного цикла
Амбер😎😎😎👍 - YouTube
Метка адресная Рубеж АМП-4-R3
Афганский рубеж 4 - Михаил Дорин читать и скача...
АМП Инжиниринг
RAP.RU
Связь противника во время Апрельской войны пода...
Рубеж: АМП-10-R3 Метка адресная пожарная
Адресная метка РУБЕЖ АМП-4-R3 — купить, цена, о...
Мду r3 схема подключения 59 фото - wForm.ru
Апрельский рубеж - YouTube
Студия Рубеж - exclusive content on Boosty
Схемы соединений АМП 10 АМП 4 Рубеж - YouTube
амбер - YouTube
Центробанк ещё на полгода продлил ограничения п...
АПАЕМ АМБЕР НА 25 РАНГ!!! (Путь Амбер 1#) - You...
Бердянська філія ДП «АМПУ» переходить на скороч...
AMP Europe | AMP Europe
АМП-4 прот.R3 — Техносервис
Military Pictures | Page 24 | SkyscraperCity Forum
Метка АМП-4 артикул АМП-4 Rubezh - купить в Мос...
Рубеж АМП-4 Метка адресная., расценки на монтаж...
Конфигурирование Рубеж АМП-4 - YouTube
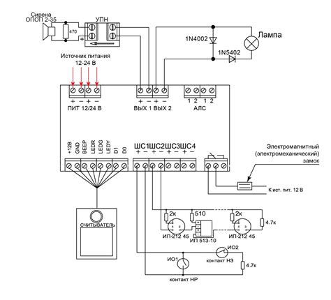
Амп 4 рубеж схема подключения
amb_russia | Сумки, рюкзаки | Магазин AMB предо...
Береговой мобильный ракетный комплекс "Рубеж"