Сегментные индикаторы
Каталог упаковочных материалов и гофротары от п...
Полупроводниковые индикаторы. Классификация зна...
Точный индикатор структуры рынка с уровнями вхо...
Сегментирование Рынка Презентация - 66 фото
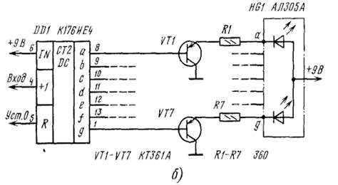
Примечание. Чертеж не определяет конструкцию ин...
Индикатор — Шаг 1 — Stepik
Жк Индикатор - Справочная радиоэлементов - Фору...
ЖК и ЖК-полимеры Баленко.Н.В - online presentation
сегментные индикаторы - YouTube
Карта сегментирования рынка - 95 фото
Семисегментный индикатор 4-х разрядный - Купить...
7-и сегментный ЖК-индикатор. Пример использован...
Индикатор zone лучший помощник трейдера | Блог ...
Набор 7-сегментных индикаторов
Проверка готовых индикаторных сегментов - YouTube
Сегменти ринку
7- сегментный индикатор - презентация онлайн
Сегмент индикатора уличного табло. - Дайте схем...
Сегментация рынка. Лекция 5 - online presentation
Не могу сделать 2 7-сегментных индикатора, помо...
ЖК индикаторы знакосинтезирующие - Продам-Отдам...