Автоматический выключатель 1P 25А (C) 4,5кА ВА ...
Автоматический выключатель 1P 1А (C) 4,5kA ВА 4...
ᐈ Микросхема КР574УД1А К574УД2А К574УД2Б К1401У...
Микросхемы купить в Ростове-на-Дону | Электрони...
Микросхема К547КП1. Даташит микросхемы К547КП1....
MAZ 547A (Military vehicles) - Trucksplanet
Модуль Dell PowerEdge 1955 KVM Switch Network M...
К547Кп1 В Маяке-233 - Лентопротяжная техника - ...
Ремонтируем магнитофон Маяк 233 | Ретро Техника...
"Sequence диаграмма пример"
Продукція - К547КП1Б мікросхема (КП1Б-DIP-14 20...
C547B транзистор характеристики: Транзистор BC5...
Микросхема К561ла7 — Купить на BIGL.UA ᐉ Удобна...
Специальное шасси МАЗ-547В для стратегического ...
547a hi-res stock photography and images - Alamy
К554СА1 - Справочник по микросхемам
Electronic components Perm Store - каталог това...
Полупроводниковые и оптоэлектронные приборы
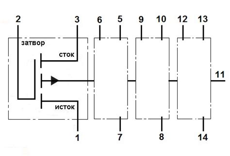
К547кп1а схема включения микросхема описание
Сигналов
Автоматический выключатель 1P 6А (C) 4,5кА ВА 4...
Микросхема к547кп1а описание и схема включения
Микросхема К547КП1 - Справочная радиоэлементов ...
Микросхемы К157 , К553 И Другие - Начинающим - ...
К547кп1а
К547КП1А и К547КП1В восемь полевичков в двух ми...
Куплю ЦАП и АЦП в золоте цифро-аналоговые преоб...