TPS51396A: CAD model - Power management forum -...
TPS51396A 강압 전압 조정기 - TI | Mouser
TPS51396AEVM Texas Instruments | 개발 기판, 키...
Tps 65994 Ad | PDF | Electrostatic Discharge | ...
TPS51396AEVM Converter Evaluation Module - TI |...
51396-TG5-A01
TI TPS51396R IC for 18,00 лв. in ШИМ - Интеграл...
TPS51363 TPS 51363 - Leaky MOSFET
TPS | www.aspshop.eu
TPS659039-Q1: Can TPS659039-Q1 only be powered ...
TPS51396AEVM | Buy TI Parts | TI.com
Tps 53314 | PDF | Physical Quantities | Electro...
TPS51396RJER 51396 TPS51397RJER 51397 QFN-20 IC...
Контроллер TPS51396 100207 - купить в Москве за...
TPS51396ARJER Texas Instruments | Power Managem...
PDF TPS51312 Components
Texas Instruments系列-TPS51396A-TrustedParts.com
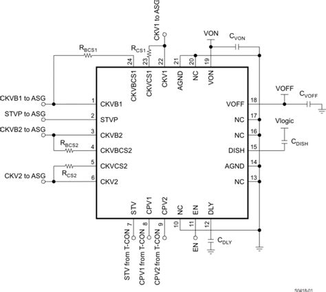
Recommended component values of TPS51396 - Powe...
51396 – JGR Autodist
Tps 51396 A | PDF | Electrostatic Discharge | E...
Functional Block Diagram for TPS65193
DIN 51396-1
Jual TPS51396RJER TPS51396R TPS51396 R TPS 5139...
TPS51396A Step-Down Voltage Regulator - TI | Mo...
TPS51513_16 datasheet(36/39 Pages) TI1 | SINGLE...
TPS568230: Question about TPS51396 - Power mana...
Микросхема, Voltage regulator TPS51396 TPS51396...
Контроллер TPS51396arjer TPS51396A TPS51396arje...
TPS51396A: EVM circuit problem - Power manageme...
IC TPS 51395P , 51395 – Lonex
TPS51396ARJER datasheet(1/31 Pages) TI | TPS513...
51396 F
ชิ้นส่วนอิเล็กทรอนิกส์ TPS51120 TPS51123A TPS51...
TPS53679: Questions of TPS53679+CSD95410 - Powe...
TPS51396A: schematic check - Power management f...