Купити Реле світла Ланос 8-ми конт. (фіолетове)...
Полное описание Реле и предохранителей Шевроле ...
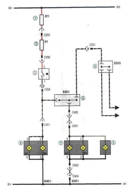
Ланос электрическая схема подключения
Дэу ланос схема подключения бензонасоса
Электросхемы Daewoo Lanos
Где находиться предохранитель сигнализации шевр...
Расположение и назначение предохранителей и рел...
Реле АБС тормозов, топливного насоса старого об...
Реле света Ланос 96557810/96557813 (ID#18318798...
Реле центрального замка ланос схема подключения
Реле поворотников, света, вентилятора, сигнала ...
Расположение, обозначение предохранителей и рел...
Реле поворотов и аварийной сигнализации Сенс Ла...
Реле дворников ланос где находится? | Autoline-...
Схема подключения реле света на ланос
Реле стартера ланос как проверить
Предохранители и реле дэу ланос со схемами и оп...
Предохранители и реле на Ланос — назначение и р...
Реле двірників Ланос: де знаходиться і як замінити
Кнопка звукового сигнала Ланос - RIO-V - YouTube
Схема предохранителей и реле Ланос - полное опи...
Датчик сигнала стояночного тормоза на ручнике Л...
Купить Модуль звукового сигнала Ланос, Лачетти ...
Предохранители и реле Шевроле Ланос - AvtoTachki
≡ Реле протитуманок (птф, протитуманних фар) Ла...
Как сделать сигнал на шевроле ланос
Схема расположения реле в шевроле ланос