Приемный сетчатый фильтр для всасывающих линий....
Сглаживающие фильтры
Бих и ких фильтры.
Фильтр выпрямителя питания. - YouTube
Фильтрация. Классификация фильтров. Аналоговые ...
Ограничение перенапряжений и фильтрация помех. ...
Пиратское радио
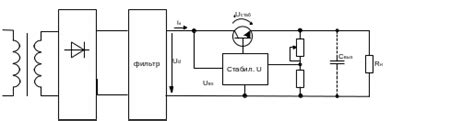
Фильтрация выпрямленного напряжения - online pr...
Сглаживающие фильтры выпрямителей - презентация...
Внешняя характеристика мощного выпрямителя.
Этот фильтр нижних частот обеспечивает быструю ...
Пин от пользователя Алексей на доске фильтр низ...
КАК ПОДКЛЮЧИТЬ РЕЛЕ НАПРЯЖЕНИЯ ПЕРЕПАДЫ НАПРЯЖЕ...
Сетевой фильтр от перенапряжения электрических ...
Фильтр НЧ Фильтр для сабвуфера Фильтр для низко...
Фильтр нулевого сопротивления (чистка) - YouTube
Фильтр подавления ЭМП - Импульсные источники пи...
Схема защиты от перепадов напряжения в сети - Y...
сетевой фильтр от помех - Песочница (Q&A) - Фор...
Фильтры Сглаживающие фильтры 1. Ёмкость 2. Г-об...
Реле напряжения. Защита от перепадов (скачков) ...
Электрические фильтры
Источники питания. Выпрямители. Сглаживающие фи...
4 Сглаживающие фильтры
Надежная защита от перепадов напряжения. Устрой...
Сглаживающие фильтры - презентация онлайн
🔸 Фильтр нулевого сопротивления на Ниссан Патфа...
5,3
Методы защиты бытовых электрических сетей от пе...
1.9 Электрические фильтры
Фильтры. Фильтрование - презентация онлайн
Сравнение фильтров.
Фильтр электрических помех на практике - YouTube