В США придумали противоугонную систему, которая...
Устройство для перехвата дронов и предотвращени...
Простейшее противоугонное устройство | Сделай с...
Противоугонное устройство Перехват | Festima.Ru...
дешовое противоугонное устройство на прицеп - Y...
Противоугонное устройство Перехват-Универсал на...
Представляем Вам противоугонное устройство «Пер...
ЗАЩИТА ОТ ГРОЗОВЫХ И КОММУТАЦИОННЫХ ПЕРЕНАПРЯЖЕ...
Отзыв про противоугонную систему Перехват-униве...
Противотаранное устройство купить в СПб – цены ...
Устройство противоугонное Перехват - Универсал ...
Перехват - Дом кино
Механическое противоугонное устройство «Перехва...
Механические противоугонные устройства - online...
Прямой поперечный захват - Поликарбонат, оргсте...
Противоугонное устройство на руль Перехват - Yo...
Противоугонные устройства оптом из Китая » 🛒 По...
Купить противотаранное устройство для снижения ...
Противоугонное устройство
Перехват.... учения - YouTube
Противоугонная система | Пикабу
Противотаранные устройства: основные виды - О т...
Противоугонное устройство перехват видео - 82 фото
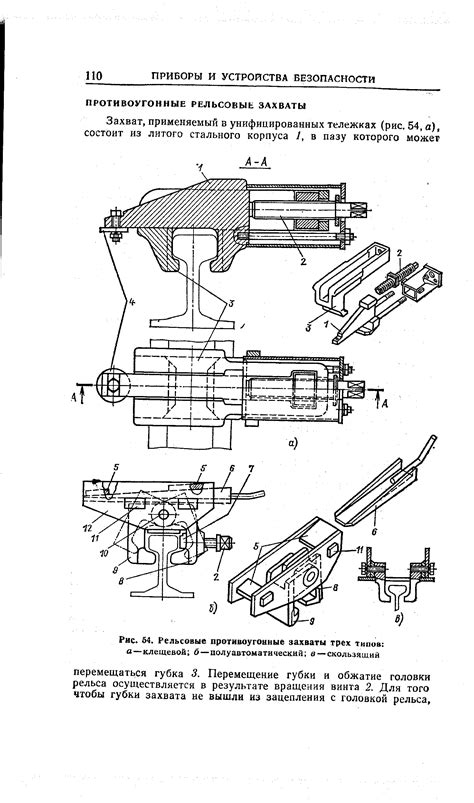
Противоугонные захваты - Энциклопедия по машино...
Противоугонное устройство "Перехват" на Skoda K...
Универсальное противоугонное устройство для при...