Предохранители Уаз Буханка и реле с описанием и...
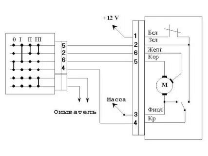
Схема подключения дворников уаз буханка нового ...
25. Подрулевой переключатель дворников. Заменен...
Переключатель света уаз буханка схема подключен...
Переключатель поворотов и дворников: 600 грн. -...
Схема подключения стеклоочистителя уаз буханка ...
Предохранители УАЗ Буханка: где находятся, замена
Ремкомплект поворотного кулака уаз буханка стар...
Замок зажигания уаз буханка старого образца схема
Схема подключения замка зажигания уаз буханка с...
Уаз патриот перегорает предохранитель дворников...
Модернизация дворников уаз буханка - 98 фото
Уаз буханка переключатель дворников старого обр...
Заменил переключатели — УАЗ Pickup, 2,7 л, 2012...
Схема подключения дворников уаз буханка старого...
Раздатка на УАЗ Буханка старого образца - YouTube
Подрулевой переключатель дворников уаз патриот ...
уаз буханка переварена, готовится к покраске и ...
Уаз буханка схема подключения дворников старого...
Подрулевой переключатель камаз старого образца ...
прерывистый переключатель дворников — Hyundai G...
Альтернативная кулиса на УАЗ буханка.Тросиковая...
Переключатель дворников УАЗ: продажа, цена в Ал...
Схема подключения поворотников уаз буханка - 95...
Прерывистый режим дворников на Буханке без заме...