Сравнение нагрудных пульсометров Polar H10 и Po...
N10 | PDF
Чем отличаются пульсометры Polar H10 от Polar O...
СУПЕРЛИГА ЛОЙИҲАСИ/ Ситини нега жазолашяпти?/ П...
“Н Эй Би Трейд” ХХК
НИДИН ТЕСТИТ НОВУЮ ПТ-10 ПОЛЬШИ с ТУРБО РЕЖИМОМ...
Московський ВО
Проверка N10. Попала куничка ,живая.Выход бобри...
Даю, 10 балів!Чи можливо визначити значення зар...
День 8 🎯Новий Рівень Вивчення: 10 Норвезьких Сл...
На полі для гри в Морсікий бій розміром 10×10 к...
Дві однакові кульки із зарядами 10 i -10 нКл пi...
упрости выражение -10n(10n+10)+(10n-10)(10+10n)...
З яким прискоренням рухається електрон у полі н...
Заряд 10 нКл перемістився в електричному полі і...
Що з обличчям у СОЛОВЙОВА? / НЕБЕНЗЯ сказав це....
Становая тяга 10 по 10 Немецкая сотня - YouTube
Вправо вздовж горизонтальної прямої діють сили ...
Анекдоты / Десяточка N10 - YouTube
Лекция 6. Основная волна типа н10 прямоугольног...
Розыгрыш в честь 10-летия компании «ПОЛАТИ» - Y...
10 ПАЛІТР ТІНЕЙ - РЕЙТИНГ, ЯКОГО ВИ ТОЧНО НІДЕ ...
Помогите, очень нужна ваша помощь! Два однакові...
😳 “Калібр” економлять, але з’явилась 10-метрова...
Мастопатийный ЧАЙ N10. ОБЗОР - YouTube
#Покер #ПокерОК NL10 #Психология, дисперсия и Б...
n10.jpg
Географія. 10 кл. Урок 10. НІМЕЧЧИНА (ФРН). Час...
СРОЧНО!!!!!ДАЮ 10 Баллов!! - Школьные Знания.com
Путіну "ПІДРІЗАЛИ КРИЛА" – 10 ВИБУХІВ у Таганро...
ХТЗ-10 НК - YouTube
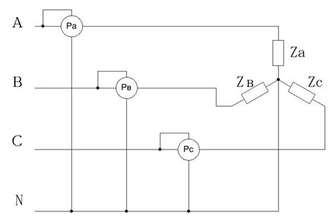
10. Лабораторная работа n10 измерение активной ...
N10 - YouTube
Заряди +20 нКл і -10 нКл розташовані на відстан...
На шовковій нитці у повітрі висить нерухомо кул...