Кондуктометрия. Приборы кондуктометрии. Достоин...
Кондуктометрический анализ - online presentation
Kondensator-Tester-Digital-Multimeter-Tester-Pr...
Konduktometri
Кондуктометр. Функция кондуктометра - презентац...
EC212 Цифровой кондуктометр ЭКОСТАБ. Купить!
Кондуктометр или ЕС-метр для анализа питательны...
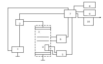
1.2. Устройство кондуктометра
Кондуктометр купить в Екатеринбурге, выгодная цена
Кондуктометрический метод.
Кондуктометр 2...200 мСм/см Эконикс Эксперт Экс...
Аналитическое и измерительное оборудование
Кондуктометрия и кондуктометрическое титрование...
КОНДУКТОМЕТР
Кондуктометрические концентратомеры
ООО ИНЭКОТЕХ - Промышленный кондуктометр-концен...
Кондуктометр купить по низкой цене в Москве.
Konduktometry XS - VERKON
"konduktometrie"
Кондуктометрический анализ - презентация онлайн
Безэлектродные кондуктометры - Энциклопедия по ...