Приспособление для проверки катушек зажигания -...
Как проверить катушку зажигания мультиметром + ...
Как проверить катушку зажигания - лучшие методы
Тестер катушки зажигания, проверка катушек, мод...
Прибор для проверки катушек индуктивности
как проверить любую катушку зажигания без тесте...
проверка импульса на катушку зажигания - YouTube
Приспособление для проверки катушек зажигания с...
Датчик для проверки индивидуальных катушек зажи...
Тестер для проверки катушек зажигания — УАЗ Pat...
Автомобильная автоматическая катушка на вилке C...
Способы проверки Катушки Зажигания - YouTube
Простой способ проверки катушку зажигания. - Yo...
Стенд для проверки катушек зажигания своими рук...
КАК ПРОВЕРИТЬ КАТУШКУ ЗАЖИГАНИЯ ? - YouTube
Необычное приспособление для проверки катушек з...
Как проверить индивидуальную катушку зажигания ...
Как проверить катушку зажигания ВАЗ мультиметро...
Проверка катушки зажигания... - YouTube
Проверка катушек зажигания — DRIVE2
Изготовление датчиков для проверки катушек зажи...
Приборы для проверки катушек зажигания любого а...
Инжектор. Самодельный прибор для проверки катуш...
Как проверить катушку зажигания - YouTube
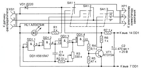
Схема проверки катушки зажигания своими руками
Схема для проверки катушек зажигания
Как проверить катушку зажигания инжектора, диаг...
Проверка катушки зажигания в дорожных условиях ...
Зажигание на бензопиле — устройство, регулировк...
Разрядник для проверки катушек зажигания - YouTube
Проверка катушки зажигания прямо на автомобиле ...