Inside a VL53L0X | Details | Hackaday.io
VL53L0X Time-of-Flight Distance Sensor - 30 to ...
VL53L0X LIDAR Distance Sensor Datasheet, Pinout...
vl53l0x-block - Semiconductor for You
VL53L0X Arduino Interfacing and Programming - E...
VL53L0X - Espruino
VL53L0X : Pin Configuration, Circuit Diagram Sp...
VL53l0x Breakout oF Enfernungssensor Modul GY-V...
VL53L0X by Oxmstr | Download free STL model | P...
NEW VL53L0X Time-of-Flight Distance Sensor Brea...
Vl53l0x V2 Arduino Sales Online | www.independe...
VL 53 L 0 X | PDF | Digital Technology | Comput...
VL53L0X Pinout Details, Interfacing wtih Arduin...
VL53L1X-Laser-Ranging-Flight-Time-Sensor-Module...
VL53L0X ToF Distance Sensor | 102081 | Distance...
Vl53lox Arduino Pinout: A Comprehensive Guide
VL53L0X LIDAR Distance Sensor: Pinout, Datashee...
VL53L0X Pinout Details, Interfacing Wtih Arduin...
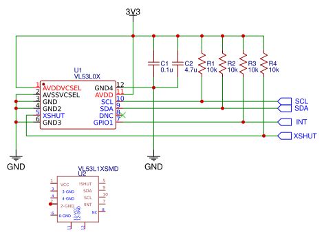
VL53LOX Resources - EasyEDA
VL53L0X Time-of-Flight Ranging Sensor Datasheet
VL53L0x expansion deck | Bitcraze
Interfacing VL53LXX Laser-Ranging Module with A...
Light Speed Measure with VL53LOX – Fizika kísér...
VL53L0X Time-of-Flight Ranging Sensor - STMicro...
Vl53l0x Datasheet - All You Need to Know
VL53L0X Resources - EasyEDA
VL53L0X Arduino Interface
Vl53l0x Wiring Guide Arduino Schematics Diagram...
VL53L0X Module for arduino from blkbox on Tindie
VL53LOX a - YouTube