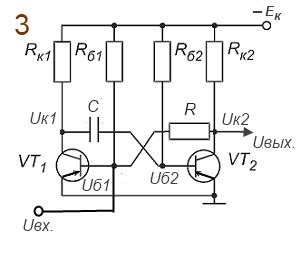
Мультивибратор симметричный
Мультивибратор. Типовая схема и формула расчёта...
Мультивибратор на 12 вольт своими руками
Мультивибратор на транзисторах - Практическая э...
Мультивибраторы на ОУ • ТЕХНИЧЕСКАЯ ШКОЛА
Конструктор для пайки Мультивибратор - купить с...
МУЛЬТИВИБРАТОР (ТЕХНИЧЕСКИЙ)
Простейший мультивибратор для генератора
Схема мультивибратора с регулированной частоты ...
Мультивибратор с регулируемой частотой
Как работает МУЛЬТИВИБРАТОР | Часть 1 - YouTube
Мультивибратор - Очень простой и стабильный ген...
2шт CD4047BM96 нестабильный мультивибратор SOIC...
Электротехника: Простейший мультивибратор для н...
мультивибратор конструктор набор для сборки
К224ЕН2, универсальный мультивибратор купить не...
2 штуки Радиоконструктор Простейший мультивибра...
Работа мультивибратора
Всё о симметричном мультивибраторе
74AHC123ABQ-Q100X, Ждущий мультивибратор Dual r...
Мультивибратор 1 часть
Мультивибратор своими руками 50гц
Конструктор N103 Мультивибратор-мигалка - купит...
Мультивибратор и его применение
МУЛЬТИВИБРАТОР ? — schip.com.ua
Мультивибратор на компараторе
Радиоконструктор Простейший мультивибратор купи...
Мультивибратор на пнп транзисторах
Мультивибраторы схемы своими руками схемы
Multisim мультивибратор