Еще один 12 Вольт блок питания, но уже на 1 Ампер.
Блок питания выдает меньше 12 вольт
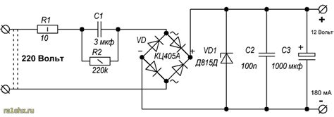
Бестрансформаторный блок питания своими руками ...
Импульсный мощный блок питания на 12 вольт 30 а...
Бестрансформаторный блок питания на 12 вольт св...
Блок питания на 12 вольт без трансформатора схе...
Блок питания 12 вольт 2 ампера, блок питания ад...
Блок питания 12 Вольт 2 Ампера (разъемы 5.5x2.5...
Мощный Блок Питания На 12 Вольт 30 Ампер - buhk...
Бесперебойник из блока питания 12В - Зарядные у...
Блок питания импульсный, 12В, 2А - RadioMart.kz...
Обзор блок питания 12в
Якісний блок живлення 12v, блок питания 12 воль...
Блок питания 12 Вольт 180 Ватт.
Мощный блок питания на 12 вольт своими руками с...
Блок питания 12В 2А 24Вт DC стабилизированный и...
Схема понижения напряжения с 220 на 12
Блок питания трансформаторный 12В 300мА — купит...
Блок питания ~12 вольт на =12 вольт - Музей ком...
12v блок питания для сабвуфера - New Style Sound
Блок питания 12В 5А | joyta.ru
Блоки бесперебойного питания на 12 Вольт, для п...
Блок питания 12 Вольт 5А купить - Интернет мага...
Импульсный стабилизированный блок питания 12 во...