Реле регулятора напряжения генератора, где нахо...
Как подключить реле регулятор к генератору авто...
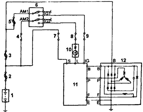
Распиновка реле генератора тойота - Электротехн...
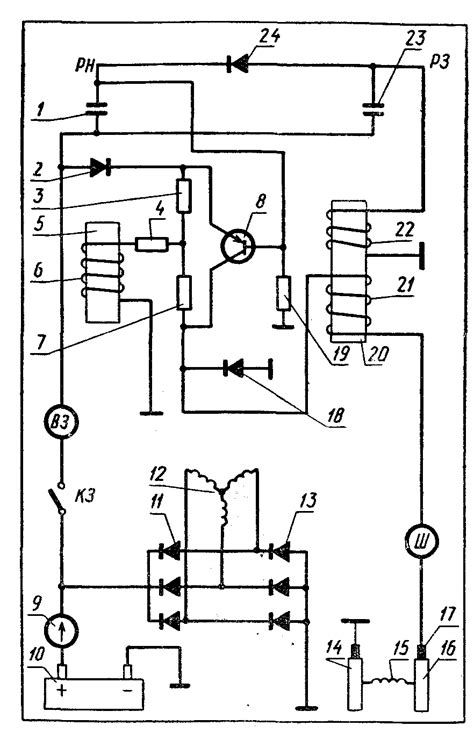
Реле-регулятор генератора постоянного тока - Эн...
Распиновка генератора Тойота 3, 4 пин
Проверка реле-регулятора напряжения (Тойота Кам...
Схема подключения генератора тойота - 86 фото
Реле регулятор генератора TOYOTA 4 Runner, Camr...
Схема подключения реле генератора тойота
Ремонт генератора Тойота (Toyota)
Назначение реле регулятора напряжения | AUTO-GL.ru
Реле регулятор генератора CITROEN C1 II, PEUGEO...
Реле-регулятор генератора для Toyota Avensis, T...
самое лучшее реле регулятор
Распиновка генератора тойота 3 пин - 83 фото
Купить Реле регулятор генератора, цена 540 грн ...
Реле-регулятор генератора: Терминал генератора ...
Реле-регулятор Тойота Камри V20 купить в Украин...
Устройство автомобиля: Генератор
Распиновка реле регулятора тойота - 96 фото
Распиновка генератора Тойота - распиновка конта...
Тойота Ленд Крузер. Детали генератора. Toyota L...
Распиновка генератора тойота корона премио
Как подключить генератор Тойота, советы специал...
Замена ремня генератора тойота селика - 81 фото
Реле Регулятор Генератора Шоколадка со Щетками ...
Замена реле регулятора генератора toyota — ГАЗ ...
Распиновка реле регулятора генератора тойота
Методика проверки реле-регулятора генератора TO...
Как проверить реле-регулятор напряжения генератора