O-2584 - YouTube
Микросхема HT2844 - генератор звукового сигнала
Microchip USB2534 handleiding (70 pagina's)
Selling 2584D, 2584JRC, 2585 with 2584D, 2584JR...
Микросхема кр544уд1а схема включения - 84 фото
254 серия - Музей электронных раритетов
Integrated IC circuit chip mic2544 2ym MIC2544|...
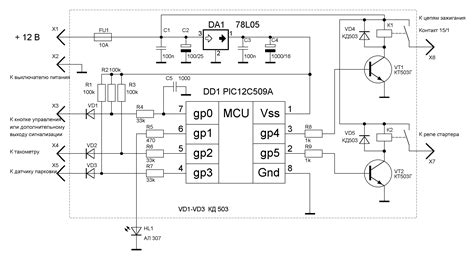
Микросхема 12c508a схема включения - 80 фото
Вопрос к радиолюбителям. Есть микросхема 4825A1...
TLC2543CDWR микросхема >> недорого купить
Изображение
Микросхема 5252F - Световые эффекты и LED - Фор...
IMG 2584 | | hifi-forum.de Bildergalerie
C2594 - TimeMark
импульсная кренка в корпусе DIP-8 LM2574 но она...
The P2584D - industry leading performance
UC2854
2544C B&K Precision | Test and Measurement | Di...
"Микросхема 2822 схема включения"
"2844b схема включения"
MIC2548 Programmable Current-Limit High-Side Sw...
MIC2544-1YM - Microchip - Power Load Distributi...
Микросхема 4558 характеристики схема включения ...
DC/DC преобразователь запускается от единственн...
Pin on Радиотехника, электроника ,схемы
IC 2594 - 快懂百科
CC2544USB-RD, CC2544 USB Dongle Reference Desig...
Микросхема 3844b
Misc Circuits / Integrated Circuits
Микросхема вр2858 как работает схема
monicon chr 2685 - Зарядные устройства и аккуму...
DC2584A-A Evaluation Board Design Circuit Opera...
4558 микросхема схема включения