ЦИЛИНДР ПОРШНЕВОЙ 50 куб.см TRYTON ORION 101S B...
Пневматический поршневой цилиндр CDJ2B10/CDJ2B1...
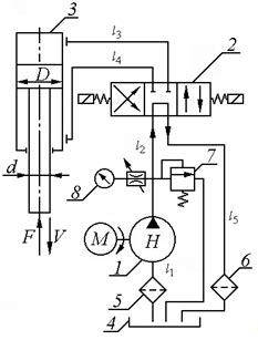
Поршневой цилиндр ДВ-1621 (Чертеж № 36: список ...
Цилиндр+поршневой к-т LF200-10LV (KPT 4V), купи...
Купить Поршневой цилиндр (WE) Cylinder Set for ...
Пневматический поршневой воздушный цилиндр FSC3...
Плунжерный цилиндр и поршневой цилиндр отличия
Расчет гидроцилиндра, Поршневой цилиндр - Гидро...
Цилиндр и поршень: что нужно знать об этих дета...
SDA25 ход 5 мм/10/20/25/30/40/50/55/60/65/100 м...
Цилиндр поршневой комплект 43 мм для Homelite C...
Неисправности цилиндро поршневой группы двигателя
Цилиндр поршневой Китаец GY6-80см3 для скутера ...
Диаметр цилиндра и ход поршня,соотношение
Поршневой цилиндр для пистолета Toua Gsn50 купи...
47 мм цилиндр поршневой комплект для Husvarna 4...
Классификация поршневых цилиндров | Гидроласт
Купить Полный поршневой цилиндр Husqvarna 254/2...
102 мм 686cc Поршневой цилиндр с большим отверс...
Цилиндр поршневой Wabco 921.004.000.0 купить, ц...
Цилиндр поршневой Китаец GY6-60см3 для скутера ...
3 Поршневой штоковый цилиндр SMC Тип двойного д...
Цилиндро-поршневой комплект Д-8 (цилиндр, порше...