Схемы подключения устройства плавного пуска | С...
≡ Устройство плавного пуска для электродвигател...
Устройство плавного пуска электродвигателя: схе...
Устройство плавного пуска для электроинструмент...
Устройство плавного пуска электродвигателя - Ст...
Устройство плавного пуска электродвигателя схем...
Электродвигатель с плавным пуском - Информацион...
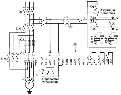
Схема подключения устройства плавного пуска
Устройство плавного пуска схема подключения
Схема плавного пуска двигателя постоянного тока...
Схема пуска электродвигателя - Схемы
Схема плавного пуска однофазного двигателя 220 ...
Принцип работы устройства плавного пуска электр...
Устройство плавного пуска электродвигателя - ха...
Устройство плавного пуска электродвигателя софт...
Устройство плавного пуска электродвигателя: при...
Устройства плавного пуска и торможения двигател...
Устройство плавного пуска электродвигателя – Ст...
Схема плавного пуска электродвигателя 220в 59 фото
Плавный пуск электродвигателей - презентация он...
Как выбрать устройство плавного пуска для элект...
Устройства плавного пуска для электродвигателей...