Цилиндрический хвостовик купить по доступной це...
Цилиндрический хвостовик | Системы крепления ин...
Зенковка цилиндрический хвостовик 90 градусов 1...
Набор сверл по дереву, 4-5-6-8-10 мм, 5 шт, цил...
Сверло по дереву (3х60х33 мм, цилиндрический хв...
C25-ER16M-100 Цанговый патрон цилиндрический хв...
Цилиндрический хвостовик для отрезной головки M...
C25-ER32-70 Цанговый патрон цилиндрический хвос...
Зенковка 31 мм 90 градусов, HSS DIN335-C, TiN, ...
Цанговый патрон ER25 цилиндрический хвостовик с...
C20-ER20-100L Цанговый патрон цилиндрический хв...
Сверло ИНСТУЛС цилиндрический хвостовик, средне...
З581-4-120-60-С10 Р6М5 зенковка, цилиндрический...
Цековка цилиндрический хвостовик M12 10,2/20мм ...
Сверло по металлу цилиндрический хвостовик 3,1x...
Сверла (3 шт; 5/6/8 мм; цилиндрический хвостови...
Зенковка цилиндрический хвостовик 60 градусов 2...
C16-ER11A-150L Цанговый патрон цилиндрический х...
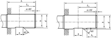
Конструкции хвостовиков режущего и вспомогатель...
Зенковка цилиндрический хвостовик 90 градусов 5...
Зенковка цилиндрический хвостовик 90 градусов 2...
Зенковка цилиндрический хвостовик 90 градусов 6...
C32-ER25-150 Цанговый патрон цилиндрический хво...
C8-ER11A-100L Цанговый патрон цилиндрический хв...
Цилиндрический хвостовик для фрезерной головки ...
Резьбонарезной патрон SL32-WER25-75 цилиндричес...
C25-ER20M-80 Цанговый патрон цилиндрический хво...
4.2x90x93x20 H10F TiAlN зенковка твердосплавная...
Зенковка цилиндрический хвостовик 120 градусов ...
Цековка цилиндрический хвостовик M12 13,5/20мм ...