Автономный инвертор напряжения с синусоидальным...
Рациональные схемы преобразователей частоты для
Разработка трехфазного мостового инвертора для ...
Двух- и трехуровневые инверторы на IGBT
Инверторы: что это и как их выбрать
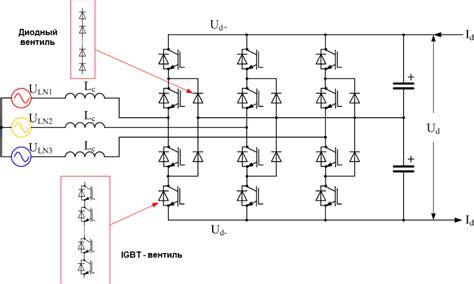
2.3.4 Трехуровневый трехфазный инвертор
Хибриден Инвертор с ограничител (с акумулатори)...
Трехуровневый автономный инвертор напряжения с ...
Седьмое поколение IGBT в трехуровневых преобраз...
Трехфазный инвертор: принцип работы и схема под...
Научно-исследовательская работа для ООО «НПП»Ци...
Инверторы
Трехфазный инвертор своими руками | Все своими ...
Инверторы: что это, виды и преимущества использ...
Купить Гибридные инверторы солнечные EASUN 3kW ...
Схема трехфазного инвертора
Сварочные инверторы – виды, характеристики инве...
Специализированные модули для 3-уровневых инвер...
Трехуровневые инверторы напряжения: теория и пр...
Высокочастотный или линейный инвертор - Мобильн...
13. Инверторы. Общие сведения, принцип работы, ...
Как устроены силовые преобразовательные устройс...
Все, что Вам нужно знать об инверторах ᐉ Полезн...
Назначение и применение инверторов в домашних у...