Симисторы справочник импортные таблица
Симистор bta
Симисторы: принцип работы, проверка и включение...
Симистор BTA16-600B: характеристики, datasheet,...
Симистор: что такое, из чего состоит и как пров...
Мощный симистор: Мощный регулятор мощности | AU...
Симистора
Симистор BTA41 • AKIP-DON
Симистор: как проверить, принцип работы, характ...
Транзистор тиристор симистор это
Простые способы проверки симисторов и тиристоров
Симистор и его применения - основы радиотехники
Что такое симистор, как он работает и для чего ...
Симистор - что это такое, принип работы, ВАХ, м...
Основные характеристики симисторов
BTA41-600 симистор 600v 40A TO-247 :: симисторы...
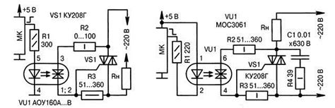
Как работает симисторный регулятор мощности
ПРОСТОЙ РЕГУЛЯТОР МОЩНОСТИ
3Q и 4Q симисторы.В чем их отличия и зачем сими...
Схема регулятор мощности двигателя симистор
Симистор принцип работы
Как проверить мощный симистор - YouTube