Реле времени 12 вольт, тест, доработка (0...50с...
Программируемое реле времени 12 вольт – Оптовая...
Реле времени программируемое 12 вольт: Реле вре...
Реле времени 12в
Программируемый таймер | Relay, Automation, Timer
Распиновка реле 12 вольт - Электротехника и эле...
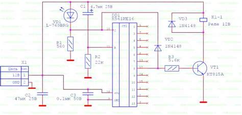
Циклическое реле времени на 12 Вольт с индикаци...
Циклическое реле времени своими руками. Реле вр...
Программируемое реле времени: схема подключения...
Реле времени 12в циклическое РЕГТАЙМ 5-12-(0-6 ...
Циклическое реле времени 12 вольт купить | Элек...
Циклическое реле времени на 12 Вольт: продажа, ...
Реле времени 12 вольт схема подключения - 96 фото
Программируемое Цифровое реле T2310, 12 В, 24 В...
Реле времени своими руками: схема на 12 и 220 в...
Программируемое реле времени 12 вольт купить на...
Многофункциональное реле времени с питанием 12 ...
Реле времени 12 вольт №6
Таймер - реле задержки времени включения и выкл...