Признаки неисправности лямбда зонда на ВАЗ 2110...
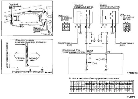
Схема подключения лямбда зонда ваз 2114 - 98 фото
ВАЗ 2114 - где находится лямбда зонд?
Лямбда BOSCH от ВАЗ 2114 и т. д. — Subaru Fores...
ВАЗ-2114, лямбда-зонд: признаки неисправности д...
Подключение лямбда зонда ваз 2114
Лямбда зонд ваз 2114: принцип действия, устройс...
Как поменять лямбда-зонд ВАЗ 2114? — 1 ответ
Датчик кислорода ВАЗ 2114, 2115, 2113 | Лямбда ...
ваз 2114 лямбда зонд какая маркировка
Лямбда-зонд ВАЗ 2110 2111 2112 2113 2114 2115 (...
Замена датчика кислорода на ВАЗ 2114: Как откру...
Купить Лямбда-зонд ВАЗ 2110 2111 2112 2113 2114...
Проверка лямда зонд: Как проверить датчик кисло...