Новый блок питанияThermaltake xp550 pp 430w куп...
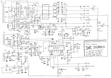
Thermaltake xp550 pp 430w схема: Схема блока пи...
Thermaltake 430w XP550 PP тест шумности, noize ...
Thermaltake Purepower 430 NP XP550 NP Power Sup...
Thermaltake 430w Power Supply PSU XP550NP for s...
Блок питания Thermaltake XP550 PP 430W | Festim...
Блок питания Thermaltake 430W XP550 NP до чистк...
Схема thermaltake xp550 pp 430w схема
Thermaltake Purepower 430W Watt XP550 NP 47-63 ...
Блок питания Thermaltake XP550 PP, 430Вт | Fest...
Thermaltake xp550 pp 430w ремонт
Fuente De Poder Thermaltake Tr2 430w Xp550 Np |...
Блок питания 430W Thermaltake XP550 PP БУ купит...
Схема thermaltake xp550 pp 430w
Блок питания Thermaltake XP550 PP 430W (W0095) ...
XP550NP Thermaltake 430-Watts Power Supply
Отзыв о Блок питания Thermaltake XP550 PP | Над...
Thermaltake XP550NP Power Supply – 430W Model W...
Блок питания thermaltake 430w xp550pp купить в ...
Блок питания Thermaltake XP550 PP, 430W Москва ...
Блок питания 430W Thermaltake XP550 PP Москва |...