Комплект крепления подрамника Ока (1111-11113 б...
Каталог запчастей автомобилей ВАЗ-1111 Ока
Сцепление в сборе на Ваз 1111, 1113 ОКА - Желез...
Автомобиль ВАЗ 1111 ОКА, каталог запчастей для ...
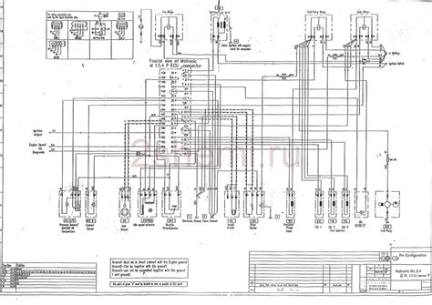
Электросхемы ока 11113, 11116 и 1111: описание ...
каталог запчастей на Ока — Lada Ока 1111, 0,6 л...
Прокладка двигателя "Ока" (комплект) (полный) 8...
двигатель ока 1111-11113 (блок в сборе, агрегат...
Электропроводка схема ока 1113
2001 г. ВАЗ-1113. Ока. Руководство по эксплуата...
Прокладки для а/м ОКА ваз 11113 двс 82.0 полный...
Насос водяной (Помпа) Lada(ВАЗ) 2108-21099-2110...
ВАЗ Ока 1111 / 1113 руководство по ремонту с ка...
Ремкомплект карбюратора ВАЗ 1113 ОКА Уником
Схема карбюратора ока 1113 с описанием - 82 фото
Схема предохранителей ока ваз 1113
Купить новый двигатель ОКА-11113 в сборе
Устройство передней подвески автомобиля ока ваз...
Ремкомплект ступицы заднего колеса ОКА 1111, 11...
Купить Маховик 1113 ОКА 12250 по выгодной цене ...
ока набор 100% как на фото набор прокладок двиг...
Каталог запчастей оковский — Lada Ока 11113, 0,...
Щиток приборов Ока 1113 купить в Самаре | Авито
Катушка зажигания 3012.3705 для ВАЗ 1111-1113 "...
Распиновка приборной панели ока 1113
Маховик ВАЗ 1111-1113 ОКА — Купить Недорого на ...
Полный каталог деталей и сборочных единиц автом...
Головка блока цилиндров ГБЦ Ока 11113 в сборе, шт
Картер Сцепления ВАЗ 1111-1113 ОКА — Купить Нед...
ВАЗ 1111, ВАЗ 1113. Книга, руководство по ремон...
Купить авто Лада 1111 Ока 1996 в Бийске, Продам...
Балка задняя ока 1111-1113 купить в Санкт-Петер...
ШРУС внутренний БелМаг БМ1111-2215056 (Ока 1111...