Microlab M-500U - купить по низким ценам с дост...
Как подключить колонки microlab m520 к компьютеру
M520B - LogiKey
Microlab 500
พร้อมส่งลำโพงคอมMicrolabMicrolab M200ครบรอบสิบซ...
Microlab M200 2.1 M-Series Speaker
Проблема с усилителем Microlab M-200 - Песочниц...
Акустическая система microlab M520 купить в Щел...
Best pris på Microlab M500 PC-høyttalere - Samm...
Loa Microlab M105 2.1 | HACOM
Microlab m820 - Skelbiu.lt
Microlab รุ่น M-500
Microlab M-520 Schematics
MICROLAB M200 BT - Blossom Toko Komputer - Malang
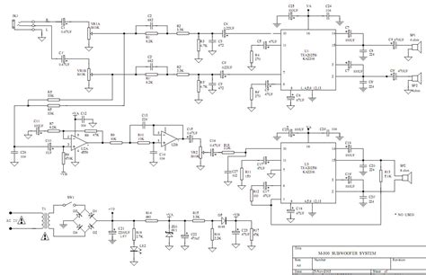
MICROLAB M-500 SUBWOOFER SYSTEM SVCSCH AUDIO SC...
Microlab M105BT 2.1 Multimedia M-Series Speaker
Microlab m 200 схема - Схемы
M520 For Sale
Microlab M-500 обзор акустики 2.1 - YouTube
Buy Microlab M 200 40 W Black, Red – Speakers O...
MicroLab 20 | Komax
Microlab M105 - Nam Thành
Microlab 20 – KomTech
Обзор акустики Microlab M-520 - YouTube
M 108 | Wired | 2.1 system | Products | Microla...
Ищу схему Microlab M-520 - Дайте схему! - Форум...
Microlab M520 Инструкция по эксплуатации онлайн
Used LEICA M520 MS2 Microscope For Sale - DOTme...
Microlab/M200 10 Th Anniversary Edition Bluetoo...
Microlab M 520 2.1 PC Lautsprechersystem: Tests...
Microlab M-500 - EasyEDA open source hardware lab
麦博m520_麦博音箱 - 随意云
M 500 | Wired | 2.1 system | Products | Microla...